Populer Rangkaian Fitting Inverter, Skema Inverter
Poin pembahasan Populer Rangkaian Fitting Inverter, Skema Inverter adalah :
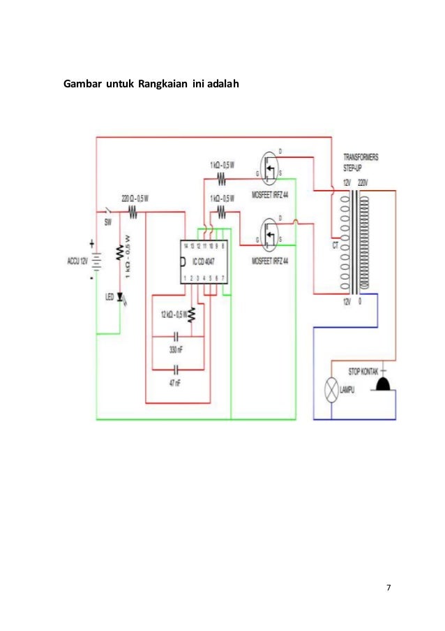
Populer Rangkaian Fitting Inverter, Skema Inverter Dari sini kami akan menerangkan update mengenai skema inverter yang terbaik waktu ini dan tercanggih. Sebab kenyataan bahwa sesuai dengan perkembangan zaman, desain teknologi yang sangat bagus akan admin sajikan untuk Anda. Ok, inilah skema inverter terbaru yang memiliki teknologi kekinian saat ini.

Skema Rangkaian Fitting Inverter Berbagi Tulisan Sumber fareedish.blogspot.com

Berbagi Tulisan Skema Rangkaian Fitting Inverter Sumber fareedish.blogspot.com

Skema Rangkaian Fitting Inverter Berbagi Tulisan Sumber fareedish.blogspot.com

2 Cara Membuat Rangkaian Inverter 12V ke 220 AC Sumber www.caratekno.com

SOLUSI BATTERY 12 11 16 Sumber mitrabaterai.blogspot.com

Inverter Mini Solusi Lampu Padam Sumber tokoonline88.com

Rangkaian Inverter Input 12 Volt DC Output 220 VAC 1000 Watt Sumber www.wikikomponen.com

Kit Inverter Pure Sine Wave Berkualitas Rangkaian Modul SPWM Sumber www.mettakindo.com

Rangkaian Inverter 220VAC Sederhana Menggunakan Kombinasi Sumber www.caratekno.com

Cara Membuat Inverter 4V DC ke 220V AC Cara Tekno Sumber www.caratekno.com

Inverter Mini Solusi Lampu Padam TokoOnline88 com Sumber tokoonline88.com

Hobi Elektronika Fitting Inverter Buatan Sendiri Sumber agussetiawan1982.blogspot.com

Kit Inverter Pure Sine Wave Berkualitas Rangkaian Modul Sumber www.mettakindo.com

Jual Inverter Murah Berkualitas LampuJalan net Sumber www.lampujalan.net

SOLUSI BATTERY cdi dc pakai inverter ccfl 12 volt untuk Sumber mitrabaterai.blogspot.com

SOLUSI BATTERY cdi dc pakai inverter ccfl 12 volt untuk Sumber mitrabaterai.blogspot.com

Elektro Circuit Neo Joule Thief Inverter 3v to 220v AC Sumber espelima.blogspot.com

Hobi Elektronika 2020 Sumber agussetiawan1982.blogspot.com

SOLUSI BATTERY cdi dc pakai inverter ccfl 12 volt untuk Sumber mitrabaterai.blogspot.com

Kit Power Amplifier 12V DC Stereo 250 Watt 4 Transistor Sumber www.glodokharco.online

membuat lampu otomatis sederhana menggunakan LDR Sumber www.jalankatak.com

Inverter 12 VDC to 220 VAC Sumber www.slideshare.net

SOLUSI BATTERY cdi dc pakai inverter ccfl 12 volt untuk Sumber mitrabaterai.blogspot.com

Inverter 12 VDC to 220 VAC Sumber www.slideshare.net

Inverter 12 VDC to 220 VAC Sumber www.slideshare.net

Rangkaian Amplifier LA4440 KICKUCTUTORIAL RANGKAIAN Sumber kickuc.blogspot.com

Indonesia Rangkaian ATS AMF Genset Otomatis Sariling Sumber www.sariling.co.id

Perbedaan Antara AC Standar AC Inverter AC Low Watt dan Sumber serviceacjogja.pro

SOLUSI BATTERY cdi dc pakai inverter ccfl 12 volt untuk Sumber mitrabaterai.blogspot.com

SOLUSI BATTERY cdi dc pakai inverter ccfl 12 volt untuk Sumber mitrabaterai.blogspot.com

Cara Merakit Rangkaian Power Bank Sederhana 1 Cara Tekno Sumber www.caratekno.com

Inspirasi 19 Skema Rangkaian Mesin Las Lakoni Sumber m-sealtop.blogspot.com

Mengenal Bagaimana Cara Kerja AC Inverter Sumber serviceacjogja.pro

plat nomor polisi273065 922x Cara Tekno Sumber www.caratekno.com

Alat Listrik MAKARYA MUKTITAMA Sumber makaryamuktitama.com
inverter tanpa transistor, jenis transistor untuk inverter, inverter sederhana 2n3055, skema inverter tip3055, skema inverter irit aki, rangkaian lvd, fitting inverter usb, skema jt 12v to 220v,
Populer Rangkaian Fitting Inverter, Skema Inverter Dari sini kami akan menerangkan update mengenai skema inverter yang terbaik waktu ini dan tercanggih. Sebab kenyataan bahwa sesuai dengan perkembangan zaman, desain teknologi yang sangat bagus akan admin sajikan untuk Anda. Ok, inilah skema inverter terbaru yang memiliki teknologi kekinian saat ini.

Skema Rangkaian Fitting Inverter Berbagi Tulisan Sumber fareedish.blogspot.com
Skema Rangkaian Fitting Inverter Fareed Read s Blog
01 05 2020 Skema Rangkaian Fitting Inverter Jumat 01 Mei 2020 Skema Rangkaian Fitting Inverter Penulis Fareed Read Diterbitkan Jumat Mei 01 2020 Tags Elektronika

Berbagi Tulisan Skema Rangkaian Fitting Inverter Sumber fareedish.blogspot.com
Elektro Circuit Neo Joule Thief Inverter 3v to 220v AC
Sebagaimana di ketahui Rangkaian joule Thief bila di lihat dari output nya dapat di bedakan dalam dua type Yaitu DC Converter Booster DC to DC dan DC Inverter Booster DC to AC Lihat di joule thief 1 5v to 12v led Joule Thief DC Converter Booster merupakan rangkaian Boosting yang bekerja dengan system blocking oscillator yang bisa di gunakan untuk menyalakan Serangkaian Led light

Skema Rangkaian Fitting Inverter Berbagi Tulisan Sumber fareedish.blogspot.com
Inverter Mini Solusi Lampu Padam
Rangkaian inverter mini ini menggunakan sumber daya baterai 1 5 v yang mampu menghidupkan lampu LED 220 volt menggunakan baterai AA 1 2 buah Catatan hanya rangkaian inverter tanpa lampu fitting dan baterai

2 Cara Membuat Rangkaian Inverter 12V ke 220 AC Sumber www.caratekno.com
OutBox Project 12V BATTERY STANDBY CHARGER
Rangkaian B ditambah Standby charger 2 sama saja dengan rangkaian yang 1 inverter lampu Mas hanya menambah 1 inverter lampu dengan arus diambil langsung dari aki dan arus diambil dari kaki NC Relay jadi sama saja cuma di cabang tapi tidak paralel Untuk R3 bisa anda pakai VR Potensio 10K jadi bisa anda atur berapa voltase cut off Hapus

SOLUSI BATTERY 12 11 16 Sumber mitrabaterai.blogspot.com
membuat inverter DC 12 V ke AC 220 V YouTube
11 12 2020 Output power inverter ccfl menghasilkan tegangan 400 volt dari input power dari aki battery 12 volt dc hal ini membuat proses pembuatan cdi dc lebih mudah langkah ke dua bagaimana mengatur timing pengapian agar pas menghasilkan energy untuk pembajaran diruang bakar motor hasil pemikiran yang mendalam dari corat coret di kertas kerja dan di ditembok kota menghasilkan sebuah karya baru

Inverter Mini Solusi Lampu Padam Sumber tokoonline88.com
SOLUSI BATTERY cdi dc pakai inverter ccfl 12 volt untuk
Inverters are electronic systems that can be used to convert the DC voltage into AC voltage An inverter output can be either an AC voltage with sine wave form si ne wave a square wave square wave and modified sine wave m odified sine wave In this study wanted made fittings lightinverter can be used directly to turn on the

Rangkaian Inverter Input 12 Volt DC Output 220 VAC 1000 Watt Sumber www.wikikomponen.com
RANCANG BANGUN INVERTER UNTUK FITTING LAMPU Oleh
Jadi bagi sobat yang baru mengenal Rangkaian 1 5v to 220v AC Joule thief mini inverter saya hanya mencoba membantu dengan Rangkaian yang sesederhana mungkin namun power full Dari skema dan contoh trafo yang bisa kita gunakan itu hanyalah contoh kecil dari begitu banyak ragam trafo bekas charger hp ini karena itu cek dan pastikan dulu letak

Kit Inverter Pure Sine Wave Berkualitas Rangkaian Modul SPWM Sumber www.mettakindo.com
Elektro Circuit JOULE THIEF 1 5V MINI INVERTER DGN TRAFO
Deskripsi Mini Inverter 1 5 3v To 220v Joule Thief rangkaian untuk lampu emergency dengan inverter mini joule thief input batre 1 5 3 volt mampu menyalakan lampu LED 220volt cocok digunakan pada saat listrik padam bisa menggunakan batre AA 1 2 buah dll Hanya rangkaian inverter tanpa lampu fitting dan baterai

Rangkaian Inverter 220VAC Sederhana Menggunakan Kombinasi Sumber www.caratekno.com
Jual Mini Inverter 1 5 3v To 220v Joule Thief Kab
Rangkaian Sederhana Inverter DC ke AC Anti Njlimet 479 views 10 Kreasi Unik Cara Membuat Lampu Hias dari Barang barang Bekas 463 views 2 Cara Membuat Rangkaian Inverter 12V ke 220 AC Menggunakan Transistor atau IC 555 340 views Merakit Rangkaian Power Bank Sederhana 299 views

Cara Membuat Inverter 4V DC ke 220V AC Cara Tekno Sumber www.caratekno.com
Merakit Rangkaian Power Bank Sederhana Cara Tekno

Inverter Mini Solusi Lampu Padam TokoOnline88 com Sumber tokoonline88.com

Hobi Elektronika Fitting Inverter Buatan Sendiri Sumber agussetiawan1982.blogspot.com

Kit Inverter Pure Sine Wave Berkualitas Rangkaian Modul Sumber www.mettakindo.com

Jual Inverter Murah Berkualitas LampuJalan net Sumber www.lampujalan.net

SOLUSI BATTERY cdi dc pakai inverter ccfl 12 volt untuk Sumber mitrabaterai.blogspot.com

SOLUSI BATTERY cdi dc pakai inverter ccfl 12 volt untuk Sumber mitrabaterai.blogspot.com
Elektro Circuit Neo Joule Thief Inverter 3v to 220v AC Sumber espelima.blogspot.com

Hobi Elektronika 2020 Sumber agussetiawan1982.blogspot.com

SOLUSI BATTERY cdi dc pakai inverter ccfl 12 volt untuk Sumber mitrabaterai.blogspot.com

Kit Power Amplifier 12V DC Stereo 250 Watt 4 Transistor Sumber www.glodokharco.online

membuat lampu otomatis sederhana menggunakan LDR Sumber www.jalankatak.com

Inverter 12 VDC to 220 VAC Sumber www.slideshare.net
SOLUSI BATTERY cdi dc pakai inverter ccfl 12 volt untuk Sumber mitrabaterai.blogspot.com

Inverter 12 VDC to 220 VAC Sumber www.slideshare.net

Inverter 12 VDC to 220 VAC Sumber www.slideshare.net

Rangkaian Amplifier LA4440 KICKUCTUTORIAL RANGKAIAN Sumber kickuc.blogspot.com

Indonesia Rangkaian ATS AMF Genset Otomatis Sariling Sumber www.sariling.co.id

Perbedaan Antara AC Standar AC Inverter AC Low Watt dan Sumber serviceacjogja.pro
SOLUSI BATTERY cdi dc pakai inverter ccfl 12 volt untuk Sumber mitrabaterai.blogspot.com

SOLUSI BATTERY cdi dc pakai inverter ccfl 12 volt untuk Sumber mitrabaterai.blogspot.com

Cara Merakit Rangkaian Power Bank Sederhana 1 Cara Tekno Sumber www.caratekno.com

Inspirasi 19 Skema Rangkaian Mesin Las Lakoni Sumber m-sealtop.blogspot.com

Mengenal Bagaimana Cara Kerja AC Inverter Sumber serviceacjogja.pro

plat nomor polisi273065 922x Cara Tekno Sumber www.caratekno.com

Alat Listrik MAKARYA MUKTITAMA Sumber makaryamuktitama.com
loading...
0 Comments